Полное наименование: Производственно-складской комплекс по адресу: Волгоградская область, р.п.Средняя Ахтуба, ул. Промышленная, 12
Заказчик: ООО «СТЭП»
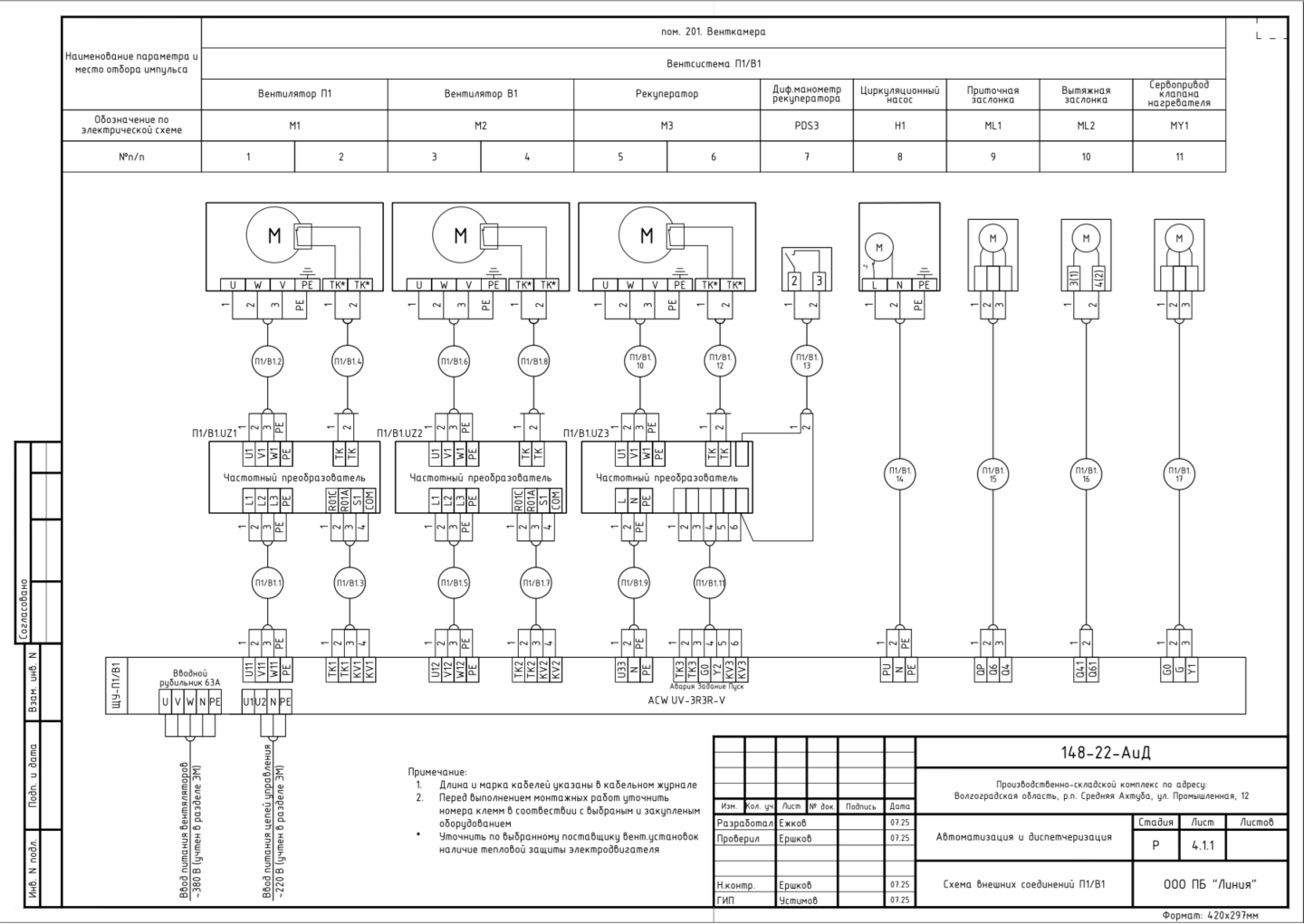
Генподрядчик: ООО ПБ «Линия»
Дата реализации: 2025
Вендоры: Hyperline, InSAT, NED, Volcano, Wago, ДКС, Тепломаш, Экопласт
Проектные решения:
- Автоматизация и диспетчеризация общеобменной вентиляции;
- Автоматизация и диспетчеризация воздушно-тепловых завес;
- Автоматизация и диспетчеризация воздушно-отопительных агрегатов;
- Автоматическая ротация кондиционеров в серверной;
- Диспетчеризация электроснабжения;
- Диспетчеризация повысительной насосной установки;
- Диспетчеризация лифтов.



