Полное наименование: Жилой дом с инженерными сетями и благоустройством территории по адресу: г. Москва внутригородское муниципальное образование Перово, улица Плющева, земельный участок 12 (Плющева ул., вл. 12А)
Заказчик: Московский фонд реновации жилой застройки
Генподрядчик: ООО ПК «КВАНТ»
Дата реализации: 2025
Вендоры: EKF, IEK, KORF, Бастион, ДКС, КЭАЗ, Текон-Автоматика
Разработанные разделы:
- Закладные элементы слаботочных сетей;
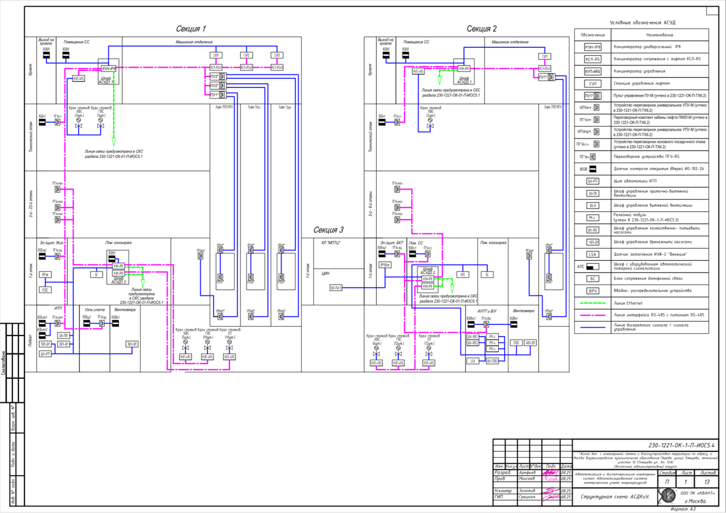
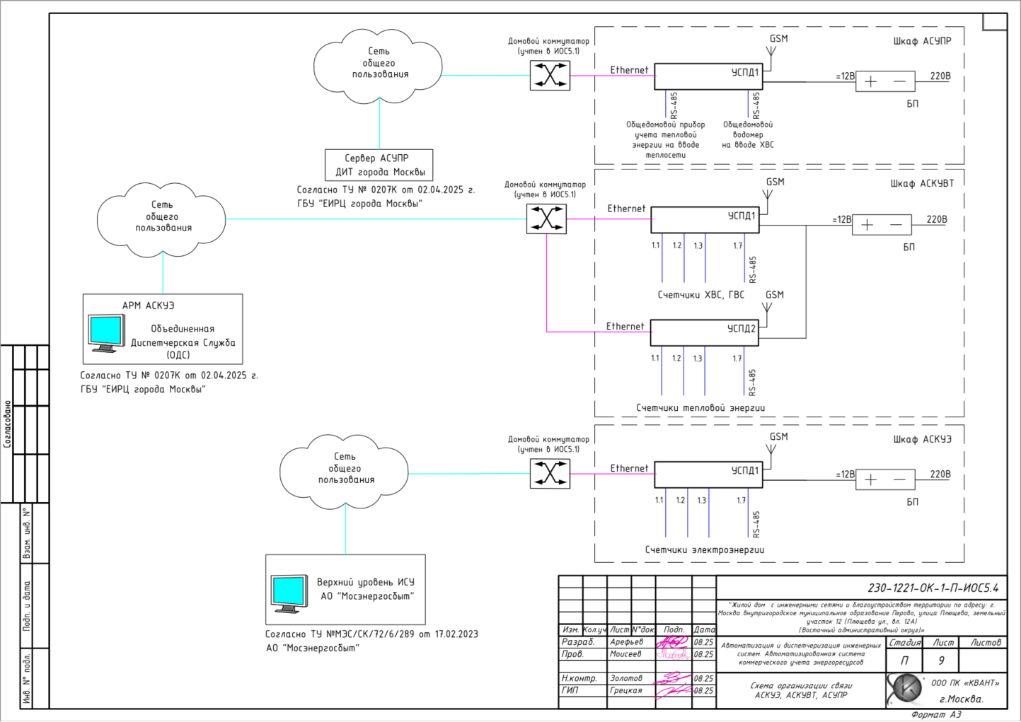
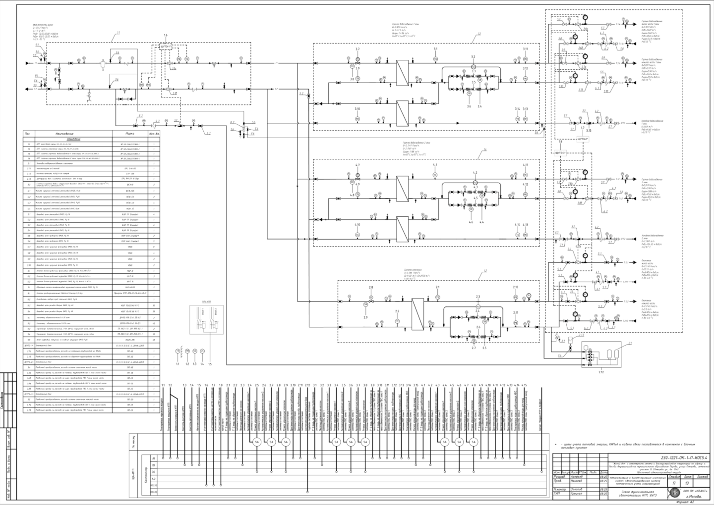
- Автоматизация и диспетчеризация инженерных систем.




