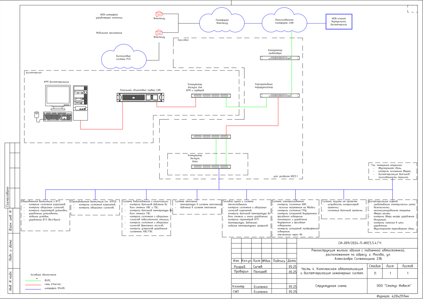
Полное наименование: Реконструкция жилого здания с подземной автостоянкой, расположенном по адресу: г. Москва, ул. Александра Солженицына, 23Б
Заказчик: ООО «Магнум Девелопмент»
Генподрядчик: ООО «Статус Инвест»
Дата реализации: 2024
Вендоры: CISCO, EKF, IEK, КЭАЗ, Луис+, Нартис, РТС, Рубеж, Текон-Автоматика, Элтис
Разработанные разделы:
- Внутреннее электроснабжение и электроосвещение» ;
- Наружное электроосвещение;
- Телефонизация;
- Радиофикация;
- IP-телевидение;
- Доступ к сети “Интернет”;
- Видеонаблюдение;
- Система домофонной связи;
- Двусторонняя связь с зонами МГН;
- Автоматизированная система коммерческого учета энергоресурсов;
- Комплексная автоматизация и диспетчеризация инженерных систем;
- Автоматическая пожарная сигнализация;
- Система оповещения и управления эвакуацией людей при пожаре.



